Polaris - Cleaner Parts - Vac Sweep 380 (F3)
SELECT YOUR PART BELOW
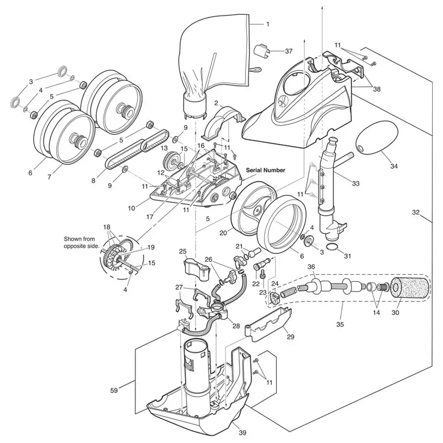
Below you'll find a consolidated list of the replacement parts for the Polaris Vac Sweep 380 (F3).
Inventory
| Central Warehouse | In Stock |
Please Note: Products might not be available at all locations.
Polaris - Cleaner Parts - Vac Sweep 380 (F3)
| Key | SKU / Part # | Name | Price |
|---|---|---|---|
| 1 | PTS-91001021 | Polaris Zippered All-Purpose Bag 380/360 | 97.99 97.99 |
| 2 | PTS-91001152 | Polaris Housing, Turbine Upper ,380/360 | 9.99 9.99 |
| 3 | PTS-91001114 | Polaris Hub Cap, 380/360/340 | 7.99 7.99 |
| 4 | PTS-91005107 | Polaris E-clip, Stainless Steel, 380/360/ATV , 5/PK | 6.99 6.99 |
| 5 | PTS-91001108 | Polaris Ball Bearing, 380/360/340 | 18.99 18.99 |
| 6 | PTS-C10 | Polaris Tire, MaxTrax ,380/360/280/180 | 21.99 21.99 |
| 7 | PTS-91001008 | Polaris Wheel, Double-side, 380/360 | 27.99 27.99 |
| 8 | PTS-91001017 | Polaris Belt Kit, Small and Large, 380/360 | 66.99 66.99 |
| 9 | PTS-91007011 | Polaris Shield, Bearing, 380/360/ATV | 3.99 3.99 |
| 11 | PTS-91005125 | Polaris Screw, 8-32 x 1/2" SS Pan Head, 380/360 , 5/PK | 7.99 7.99 |
| 12 | PTS-91001139 | Polaris Axle Block Kit (Front and Rear), 380/360 | 43.99 43.99 |
| 13 | PTS-91001010 | Polaris Belt Divider, Transfer Pulley, 380/360 | 5.99 5.99 |
| 14 | PTS-B25 | Polaris Orifice Tip with Orifice Tip Guard, 380/280/180 | 5.99 5.99 |
| 15 | PTS-91001007 | Polaris Transfer Pulley/Drive Shaft Assembly, 380/360 | 42.99 42.99 |
| 16 | PTS-91005115 | Polaris Screw, 8-32 x 3/4" SS Pan Head, 380/360/ATV , 5/PK | 5.99 5.99 |
| 17 | PTS-91005130 | Polaris Lock Washer, Axle Block 380/360/ATV , 4/PK | 0.99 0.99 |
| 18 | PTS-91001132 | Polaris Drive Train Gear Kit With Turbine Bearing , 380/360 | 38.99 38.99 |
| 19 | PTS-91001103 | Polaris Turbine Wheel with Bearing 360/380 | 26.99 26.99 |
| 20 | PTS-91001116 | Polaris Wheel, Single-side 380/360 | 20.99 20.99 |
| 21 | PTS-C131 | Polaris Thrust Jet Kit, 380/360/280/180 C130/C135/C140 C130/C135/C140 | 12.99 12.99 |
| 22 | PTS-91007008 | Polaris Sweep Hose Barb Complete, 380/360 | 9.99 9.99 |
| 23 | PTS-B20 | Polaris Adjustment Screw, Sweep Hose, 380/360/280/180 | 5.99 5.99 |
| 24 | PTS-B15 | Polaris Sweep Hose Attach Clamp, 380/360/280/180 | 4.99 4.99 |
| 25 | PTS-91009004 | Polaris Base Weight 380 | 20.99 20.99 |
| 26 | PTS-91007170 | Polaris Hose Clamp for Water Management System, 380/360/280/180, 6/PK | 8.99 8.99 |
| 27 | PTS-91007009 | Polaris Jet Retainer, 380/360, 2/PK | 2.99 2.99 |
| 28 | PTS-91007010 | Polaris Water Management System 380 | 70.99 70.99 |
| 29 | PTS-91001155 | Polaris Housing, Turbine Lower ,380/360 | 9.99 9.99 |
| 30 | PTS-91003105 | Polaris Sweep Hose Scrubber, 380/360/280/180 | 5.99 5.99 |
| 30 | PTS-R0522400 | Polaris Sweep Hose Scrubber, 3/PK | 16.99 16.99 |
| 31 | PTS-91005132 | Polaris O-Ring, Feed Pipe Assembly, 380/360 | 3.99 3.99 |
| 32 | PTS-91007030 | Polaris Top and Base Assembly, Complete Kit Replaces | 170.99 170.99 |
| 33 | PTS-91007003 | Polaris Feed Pipe/Timer Blank Assembly 380 | 27.99 27.99 |
| 34 | PTS-A20 | Polaris Float, Head, 380/360/280/180 | 13.99 13.99 |
| 35 | PTS-B5 | Polaris Sweep Hose Complete, 380/280/180 | 69.99 69.99 |
| 36 | PTS-B10 | Polaris Wear Rings, 380/360/280/180 | 3.99 3.99 |
| 37 | PTS-91001018 | Polaris Bag Clip 380/280 | 4.99 4.99 |
| 38 | PTS-91001240 | Polaris Top Housing 380/360 | 70.99 70.99 |
| 39 | PTS-91007026 | Polaris Base Assembly, 360/380 | 108.99 108.99 |
| 40 | PTS-1011200 | Polaris UWF Restrictor Disk Kit 180/280/380 | 5.99 5.99 |
| 41 | PTS-650000 | Polaris Universal Wall Fitting All pressure-side products | 8.99 8.99 |
| 42 | PTS-91009001 | Polaris UWF Connector Assembly 380/280/180 | 66.99 66.99 |
| 43 | PTS-1010800 | Polaris UWF Restrictor Kit 380/280/180 | 17.99 17.99 |
| 44 | PTS-650500 | Polaris O-Ring, UWF/QD (All pressure-side products) | 3.99 3.99 |
| 45 | PTS-91009002 | Polaris Pressure Relief Valve, 380/280/180 | 20.99 20.99 |
| 46 | PTS-D29 | Polaris Quick Disconnect, UWF , 380/280/180 | 17.99 17.99 |
| 47 | PTS-D15 | Polaris Nut, Feed Hose, 380/280/180 | 7.99 7.99 |
| 48 | PTS-D44 | Polaris R-Kit Adapter Hose, 81/2" Large | 14.99 14.99 |
| 49 | PTS-48080 | Polaris In-Line Filter Assembly 480 | 115.99 115.99 |
| 50 | PTS-48222 | Polaris Screen, In-Line Filter ,480/380/280 | 20.99 20.99 |
| 51 | PTS-D10 | Polaris Float, Feed Hose, 380/280/180 | 13.99 13.99 |
| 52 | PTS-D45 | Polaris Feed Hose, 10', 380/280/180 | 62.99 62.99 |
| 53 | PTS-D20 | Polaris Swivel, Ball Bearing ,380/280/180 | 27.99 27.99 |
| 54 | PTS-D50 | Polaris Leader Hose, 10 Foot, 380/280/180 | 97.99 97.99 |
| 55 | PTS-G52 | Polaris Back-up Valve Kit, PVS380/180/280/Mars | 176.99 176.99 |
| 56 | PTS-G54 | Polaris Case Kit for G52, 380/280/180 | 54.99 54.99 |
| 57 | PTS-G57 | Polaris Collar, Back-up Valve 180/280/380 | 8.99 8.99 |
| 58 | PTS-G53 | Polaris Mechanism for G52, 380/280/180 | 135.99 135.99 |
| 59 | PTS-91007045 | Polaris Water Management Base Complete 380 | 162.99 162.99 |
| 60 | PTS-G5 | Polaris Feed Hose Complete with UWF, No Back-up Valve, 380/280/180 | 419.99 419.99 |
A consolidated list of the replacement parts for the Polaris Vac Sweep 380 (F3). If you're having trouble finding the parts you need, feel free to reach out to one of our representatives in the contact section below.
Features
Dimensions
Product Videos
Curbside Pickup
...
Click here for a full list of our store locations.
Returns
For full details of how to make a return, please view our returns information.
Need Help Designing Your Outdoor Retreat?
Let us help you bring your vision to life with one-on-one consultations with our design team who specialize in room styling, product knowledge and forward-thinking style solutions to make you feel right at home.
Schedule A Virtual Appointment
Book your one-on-one appointment today to virtually walk the store with a sales associate.
BOOK YOUR APPOINTMENT
Reviews (2)
Samanta J.
6 days agoGood, perfect size
Lorem ipsum dolor sit amet, consectetur adipisicing elit. Ducimus cum dolores assumenda asperiores facilis porro reprehenderit animi culpa atque blanditiis commodi perspiciatis doloremque, possimus, explicabo, autem fugit beatae quae voluptas!
John Doe
5 days agoVery good
Sed, molestias, tempore? Ex dolor esse iure hic veniam laborum blanditiis laudantium iste amet. Cum non voluptate eos enim, ab cumque nam, modi, quas iure illum repellendus, blanditiis perspiciatis beatae!


Polaris Vac Sweep 380 Owners Manual